はりリスト

データの入力や変更は、 表形式による[断面データ入力表]を用いて行います。
アイコン 項目の説明
アイコン 補足

アイコン 項目の説明

はりリスト
備考欄○印はRC/SRCのとき、△印はSRCのときに必ず入力してください。 入力がない項目がある場合は、断面リストの作成を正しく行いません。
項目 制限 備考
共通
符号、位置 符号 8文字以内
位置 下記のいずれか
「1:全断面」
「2:左端」
「3:中央」
「4:右端」
「5:外端」
「6:内端」
「7:両端」
「8:端部」
「9:?端」
「10:基端」
「11:先端」
「12:他端」
「13:連端」
 
RC
B×D(㎜)・スラブ はり幅×はりせい B≦32000
D≦32000
スラブ形状 下記のいずれか
「1:両側」
「2:左側」
「3:右側」
「4:なし」
「5:両側*」
「6:左側*」
「7:右側*」
「8:なし*」
*印は、はり上端の打ち増しあり
 
主筋本数・径 上端1段筋 径1 主筋本数 n≦64
径・鉄筋径で下記のいずれか
「10:D10」
「13:D13」
「16:D16」
「19:D19」
「22:D22」
「25:D25」
「29:D29」
「32:D32」
「35:D35」
「38:D38」
「41:D41」
上端1段筋 径2
上端2段筋 径1
上端2段筋 径2
上端3段筋 径1
上端3段筋 径2
下端3段筋 径1
下端3段筋 径2
下端2段筋 径1
下端2段筋 径2
下端1段筋 径1
下端1段筋 径2
あばら筋材質・タイプ あばら筋材質 下記のいずれか
「1:普通鉄筋」
「2:SHD685」
「3:KH685」
「4:SPR685」
「5:OT685」
「6:USD685」
「7:KSS785」
「8:KW785」
「9:KH785」
「10:MK785」
「11:JH785」
「12:SPR785」
「13:USD785」
「14:SBPD1275/1420」
「15:SBPDN1275/1420」
「16:MK685」
 
あばら筋タイプ 下記のいずれか
「1:普通」
「2:スパイラル」
 
あばら筋(㎜) あばら筋形 1~10本
あばら筋径1 下記のいずれか
「10:D10」
「13:D13」
「16:D16」
「19:D19」
せん断補強筋材質を普通鉄筋以外とした場合は、 [柱リスト]の補足4.の表1により径を読替えます。
あばら筋径2
あばら筋ピッチ @≦32000
腹筋・配筋形状 腹筋本数 n≦64  
腹筋径 異形鉄筋径で下記のいずれか
「10:D10」
「13:D13」
「16:D16」
「19:D19」
「22:D22」
「25:D25」
「29:D29」
「32:D32」
「35:D35」
「38:D38」
「41:D41」
 
せん断補強タイプ 下記のいずれか
「1:通常」
「2:X形」
 
地業(㎜) 捨てコンクリート @≦32000  
敷砂利 @≦32000  
S
H、B、tw、tf(㎜) 鉄骨せい H≦32000
鉄骨幅 B≦32000
ウェブ厚 tw≦32000  
フランジ厚 tf≦32000  
種別・鉄骨心・かぶり 鉄骨種別 下記のいずれか
「1:RH」
「2:BH」
 
鉄骨心 e≦32000(駆体左側面より)  
鉄骨上端かぶり d≦32000  
材質F/W フランジ材質 下記のいずれか
「1:SS400」
「2:SS490」
「3:SM400」
「4:SM490」
「5:SM520」
「15:SN400」
「16:SN490」
「41:SUS304A」
「42:SUS316A」
「43:SUS304N2A」
「51:SSC400」
「61:HBL385」
 
ウェブ材質  
共通
出力指定 下記のいずれか
「0:出力する」
「1:出力しない」
 


アイコン 補 足

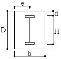
  1. 鉄骨心、かぶりの入力が省略された場合の設定値は下記のとおりです。
    鉄骨心、かぶりの自動設定値
    鉄骨心e:e=b/2 (はり幅の1/2)
    かぶりd:d=(D-H)/2
    図


ボタン