項目の説明
| 項目 | 制限 | 備考 | ||
|---|---|---|---|---|
| 共通 | ||||
| 符号・Dx Dy(㎜) | 符号 | 8文字以内 | ○ | |
| 柱せいX | Dx≦32000 | |||
| 柱せいY | Dy≦32000 Dy=0は、円形柱とします。 | |||
| RC | ||||
| 主筋本数・径 | X方向1段筋 径1 | 主筋本数 n≦64 円形柱は、X方向1段筋径1で入力してください。 2段筋および主筋径2は無視します。 径・鉄筋径で下記のいずれか 「10:D10」 「13:D13」 「16:D16」 「19:D19」 「22:D22」 「25:D25」 「29:D29」 「32:D32」 「35:D35」 「38:D38」 「41:D41」 |
○ | |
| X方向1段筋 径2 | ||||
| X方向2段筋 径1 | ||||
| X方向2段筋 径2 | ||||
| Y方向1段筋 径1 | ||||
| Y方向1段筋 径2 | ||||
| Y方向2段筋 径1 | ||||
| Y方向2段筋 径2 | ||||
| 配筋形状 | Xせん断補強タイプ | 下記のいずれか 「1:通常」 「2:X形」 |
||
| Yせん断補強タイプ | ||||
| 寄せタイプ | 下記のいずれか 「1:寄せなし」 「2:X方向」 「3:Y方向」 「4:XY方向」 |
|||
| 帯筋材質・タイプ | 帯筋材質 | 下記のいずれか 「1:普通鉄筋」 「2:SHD685」 「3:KH685」 「4:SPR685」 「5:OT685」 「6:USD685」 「7:KSS785」 「8:KW785」 「9:KH785」 「10:MK785」 「11:JH785」 「12:SPR785」 「13:USD785」 「14:SBPD1275/1420」 「15:SBPDN1275/1420」 「16:MK685」 |
||
| 帯筋タイプ | 下記のいずれか 「1:普通」 「2:スパイラル」 |
|||
| 帯筋 | 帯筋形X | 2~10本 | ||
| 帯筋形Y | 2~10本 | |||
| 帯筋径1 | 下記のいずれか 「10:D10」 「13:D13」 「16:D16」 「19:D19」
|
|||
| 帯筋径2 | ||||
| 帯筋ピッチ(㎜) | 10≦@≦300 | |||
| 芯鉄筋 | 本数X | n≦64 | ||
| 本数Y | ||||
| 鉄筋径 | 異形鉄筋径で下記のいずれか 「10:D10」 「13:D13」 「16:D16」 「19:D19」 「22:D22」 「25:D25」 「29:D29」 「32:D32」 「35:D35」 「38:D38」 「41:D41」 |
○ | ||
| S | ||||
| タイプ・種別 | 鉄骨タイプ | 1~18(補足5.参照) | △ | |
| 鉄骨種別 | 下記のいずれか 「1:RH」 「2:BH」 「3:CT」 「4:BT」 |
|||
| X:H、B、tw、tf(㎜) | 鉄骨せいX | H≦32000 | △ | |
| 鉄骨幅X | B≦32000 | △ | ||
| ウェブ厚X | tw≦32000 | |||
| フランジ厚X | tf≦32000 | |||
| Y:H、B、tw、tf(㎜) | 鉄骨せいY | H≦32000 | ||
| 鉄骨幅Y | B≦32000 | |||
| ウェブ厚Y | tw≦32000 | |||
| フランジ厚Y | tf≦32000 | |||
| 鉄骨心・かぶり(㎜) | 鉄骨心X | ex≦32000(補足6.参照) | ||
| 鉄骨かぶりX | dx≦32000(補足6.参照) | |||
| 鉄骨心Y | ey≦32000(補足6.参照) | |||
| 鉄骨かぶりY | dy≦32000(補足6.参照) | |||
| X材質F/W | フランジ材質X | 下記のいずれか 「1:SS400」 「2:SS490」 「3:SM400」 「4:SM490」 「5:SM520」 「6:STK400」 「7:STK490」 「8:STKR400」 「9:STKR490」 「10:STKN400」 「11:STKN490」 「15:SN400」 「16:SN490」 「21:BCR295」 「22:BCP235」 「23:BCP325」 「24:BCP325T」 「25:NBCP325EX」 「26:NBCP440」 「31:SHC400」 「32:SHC490」 「33:SHCK490」 「34:SHC275-EN」 「35:SHC355-EN」 「41:SUS304A」 「42:SUS316A」 「43:SUS304N2A」 「51:SSC400」 「61:HBL385」 「71:P-385」 「72:G385」 「73:G385T」 「74:UBCR365」 「75:JBCR385」 「76:TSC295」 |
||
| ウェブ材質X | ||||
| Y材質F/W | フランジ材質Y | |||
| ウェブ材質Y | ||||
| 共通 | ||||
| 出力指定 | 下記のいずれか 「0:出力する」 「1:出力しない」 |
|||
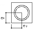
補 足鉄骨が箱形、角形鋼管、パイプの場合は、鉄骨かぶり、鉄骨種別の入力は不要です。 また、鉄骨材質はフランジ材質Xで入力してください。
鉄骨が箱形、角形鋼管の場合は、 X方向の鉄骨寸法の入力欄でHx、Hy、tx、tyおよびHx、Hy、t、rを入力します。 また、パイプの場合はX方向の鉄骨せい、鉄骨幅の欄でD、tを入力します。
| 材 質 | 径 | |||||
|---|---|---|---|---|---|---|
| 普通鉄筋 | D10 | D13 | D16 | D19 | - | |
| SHD685 | UHD6 | UHD10 | UHD13 | UHD16 | - | |
| KH685 | K10 | K13 | K16 | - | - | |
| SPR685 | TA10 | TA13 | TA16 | - | - | |
| OT685 | OS10 | OS13 | OS16 | - | - | |
| USD685 | KY10 | KY13 | KY16 | - | - | |
| KSS785 | S6 | S8 | S10 | S13 | S16 | |
| KW785 | K6 | K10 | K13 | K16 | - | |
| KH785 | K10 | K13 | K16 | - | - | |
| MK785 | MD10 | MD13 | MD16 | - | - | |
| JH785 | J10 | J13 | J16 | - | - | |
| SPR785 | T10 | T13 | T16 | - | - | |
| USD785 | KK13 | KY16 | - | - | - | |
| SBPD1275/1420 | U7.1 | U9.0 | U10.7 | U12.6 | U11.8 | |
| SBPDN1275/1420 | RB6.2 | RB7.1 | RB9.0 | RB10.7 | RB12.6 | |
| MK685 | MA10 | MA13 | MA16 | - | - | |
| 1 | 2 | 3 |
|---|---|---|
![]() |
![]() |
![]() |
| 4 | 5 | 6 |
![]() |
![]() |
![]() |
| 7 | 8 | 9 |
![]() |
![]() |
![]() |
| 10 | 11 | 12 |
![]() |
![]() |
![]() |
| 13 | 14 | 15 |
![]() |
![]() |
![]() |
| 16 | 17 | 18 |
![]() |
![]() |
![]() |
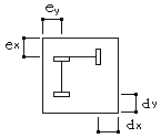
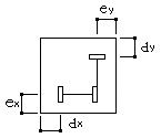
| かぶりd:dx=(Dx-Hx)/2 | dy=(Dy-Hy)/2 | |
| 鉄骨心e:ex=Dy/2 | ey=Dx/2 |

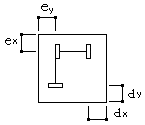
| かぶりd:dx=(Dx-Hx)/2 | dy=(Dy-Hy)/2 (タイプ4の例) | |
| 鉄骨心e:ex=Dy-Hy-dy | ey=Dx/2 |

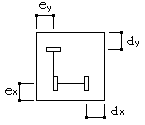
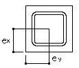
| かぶりd:dx=(Dx-Hx)/2 | dy=(Dy-Hy-Bx/2)/2 (タイプ9の例) | |
| 鉄骨心e:ex=Dy-Hy-dy | ey=Dx-Hx-dx+Bx/2 |

