項目の説明
| 項目 | 説 明 | 初期値 |
|---|---|---|
| 列幅(㎜) | ||
| 項目欄 | 項目欄、断面欄の幅を入力します。断面欄の幅は列ごとに入力することができます。![]() |
30 |
| 断面欄 | 38 | |
| 段書式、行高(㎜) | ||
| 書式No. | 各段に対応する書式番号を入力します。 各書式番号の内容は、「段書式(1)~(4)」で設定します。 番号の入力欄をダブルクリックするとプルダウンリストを表示し、選択することができます。 |
1行目 :1 2行目以降:2 |
| 段書式(1)~(4) | 書式は4つまで定義することができます。 各段に出力する項目および行の高さを入力します。 項目名の入力欄をダブルクリックするとプルダウンリストを表示し、選択することができます。 ![]() |
補足4.参照 |
| 段書式を相対参照する | 図面レイアウトの開始段が1以外の場合に段書式の参照方法を指定します。 相対参照する場合はチェックボックスをオンにします。 参照しない場合は、チェックをはずします。 例えば、図面レイアウトの開始段が10段目からの場合、「参照しない」とすると段書式No.は10段目から参照されます。 「参照する」とした場合は、段書式No.は1段目から参照されます。 |
参照する |

| 項目 | 説 明 | 初期値 |
|---|---|---|
| 表題欄 | ||
| 表題欄を使用する | 表題欄を使用する場合はチェックボックスをオンにし、
表題欄高さ、表題、特記外を入力します。 表題欄高さには表題、特記外を表示する幅を入力します。 表題は32文字以内、特記外は128文字以内で入力します。 ![]() |
使用しない |
| 表題欄高さ(㎜) | 30 | |
| 表題 | ||
| 特記外 | ||
| リストタイプ | ||
| リストタイプ | 「リストタイプ1(標準スタイル)」、「リストタイプ2(階名欄を使用する)」のいずれか 階名欄を表示する場合は「リストタイプ2(階名欄を使用する)」を選択します。 リストタイプ、階名欄幅、階名については以下のようになります。 ![]() |
リストタイプ1 (標準スタイル) |
| 階名欄幅(㎜) | 「リストタイプ2(階名欄を使用する)」を選択した場合に、幅を入力します。 | 38 |
| 階名欄 | ||
| 階名を編集する | 階名を編集する場合はチェックボックスをオンにします。 階名を変更する場合は、変更する項目にカーソルを合わせダブルクリックし、 16文字以内で入力します。 階名を編集した場合は、「リストタイプ1(標準スタイル)」では項目欄の断面の部分に階名を表示します。 「リストタイプ2(階名欄を使用する)」では階名欄に階名を表示します。 |
編集しない |
| 階名 | 断面 | |
| 項目欄 | ||
| 項目名を編集する | 項目名を編集する場合はチェックボックスをオンにします。 項目名を変更する場合は、変更する項目にカーソルを合わせダブルクリックし、 16文字以内で入力します。 項目名は、「リストタイプ1(標準スタイル)」、「リストタイプ2(階名欄を使用する)」のどちらでも表示します。 |
編集しない |
| 項目名 | 構造モデラー+ 断面リストの 項目名 | |

| 項目 | 説 明 | 初期値 | ||
|---|---|---|---|---|
| 鉄筋記号 | ||||
| 記号1 | 鉄筋記号をダイアログに表示している8種類から選択します。 鉄筋記号1、2の組み合わせにより鉄筋記号を作図します。 ![]() |
補足5.参照 | ||
| 記号2 | 補足5.参照 | |||
| 倍率・部材寸法 | ||||
| 鉄筋径倍率 | プログラム内で縮尺などを考慮して、 自動計算された図面上の鉄筋記号の大きさを設定した倍率で拡大、縮小します。 | 1 | ||
| 主筋間隔倍率 | SRC断面で同一段の鉄筋を左右に寄せて配置する場合に、 鉄筋間隔を図面上の鉄筋記号の直径の何倍で作図するか指定します。 | 1.25 | ||
| RC2段筋間隔倍率 | 1段目と2段目の鉄筋間隔を、 図面上の鉄筋記号の直径の何倍で作図するか指定します。 | 1.25 | ||
| SRC2段筋間隔倍率 | 1.5 | |||
| スラブ厚(㎜) | スラブ付のはり断面を作図するためのもので、実寸法を入力します。 スラブ付のはりはすべてこの寸法で作図します。 | 130 | ||
| はり上端打増寸法(㎜) | はり上端の打増を作図するもので、上端打増があると指定したはりはすべてこの寸法で作図します。 | 150 | ||
| 作図フランジ厚(㎜) | 鉄骨フランジをダブル線で作図するためのもので、図面上のフランジ厚を入力します。 フランジをシングル線で作図する場合は0を入力します。 | 0.6 | ||
| はり かぶり厚(㎜) | 鉄筋のかぶり厚を入力します。 | 40 | ||
| 基礎ばり かぶり厚(㎜) | 50 | |||
| 出力指定(断面欄) | ||||
| 作図位置 | 「入力に準じる」、「センタリング」のいずれか 「センタリング」を指定した場合、符号から断面数を判断し、 断面をセンタリングして描画します。 |
センタリング | ||
| SRC部材の幅止筋の作図 | SRC部材の幅止筋の作図について指定します。RC部材のときは必ず作図します。 「作図する」、「作図しない」のいずれか |
作図しない | ||
| 打増はり上端破線の記入 | はり断面データ入力表のスラブ形状で「はり上端の打増あり」を指定した場合に、
はり上端破線の記入を指定します。 「記入する」、「記入しない」のいずれか |
記入する | ||
| 出力指定(文字欄) | ||||
| 省略するあばら筋本数 はり |
共通するあばら筋は、記入を省略することができます。 共通する(特記外とする)あばら筋を指定してください。
|
2本 | ||
| 基礎ばり | 2本 | |||
| 省略するあばら筋径 はり |
D10 | |||
| 基礎ばり | D10 | |||
| 省略するあばら筋ピッチ(㎜) はり |
200 | |||
| 基礎ばり | 200 | |||
| 省略する腹筋本数 はり |
共通する腹筋は、記入を省略することができます。 共通する(特記外とする)、腹筋を指定してください。 | 2 | ||
| 基礎ばり | 2 | |||
| 省略する腹筋径 はり |
D10 | |||
| 基礎ばり | D10 | |||
| あばら筋の表記 | あばら筋の表記について指定します。 「図形」、「数字」のいずれか |
図形 | ||

| 項目 | 説 明 | 初期値 | ||||
|---|---|---|---|---|---|---|
| 寸法線 | ||||||
| 断面寸法の記入 | 断面欄の寸法を記入するかどうかを指定します。 「記入する」、「記入しない」のいずれか |
記入する | ||||
| 省略するX鉄骨かぶり寸法(㎜) | 共通する鉄骨かぶり寸法は、寸法記入を省略することができます。 共通する(特記外とする)、鉄骨かぶり寸法を指定してください。 | 125 | ||||
| 省略するY鉄骨かぶり寸法(㎜) | 125 | |||||
| 鉄骨心振分け時の鉄骨心記入 | 鉄骨心振り分け時の鉄骨心までの寸法線を記入するかどうかを指定します。 「記入する」、「記入しない」のいずれか |
記入しない | ||||
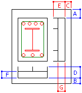
| 寸法線の取り方 寸法B |
寸法Bの取り方を指定します。 「寸法Bを枠から押さえる」、「寸法Bを断面から押さえる」のいずれか |
寸法Bを断面から押さえる | ||||
| 寸法C | 寸法Cの取り方を指定します。 「寸法Cを枠から押さえる」、「寸法Cを断面から押さえる」のいずれか |
寸法Cを断面から押さえる | ||||
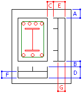
| 寸法線の位置(㎜) A |
寸法線の位置や長さを指定します。
|
8 | ||||
| B | 2 | |||||
| c | 2 | |||||
| D | 9 | |||||
| E | 9 | |||||
| F | 5 | |||||
| G | 5 | |||||
| 寸法記入時の断面の寄り(㎜) 3断面時 左端 |
断面寸法記入時には、断面を欄の左に寄せますが、その場合の寄せ寸法を入力します。 | 2 | ||||
| 中央 | 4 | |||||
| 右端 | 6 | |||||
| 2断面時 端部 | 2 | |||||
| 中央 | 6 | |||||
| 全断面時 | 6 | |||||
| 文字書式 | ||||||
| 文字のフォント | 「DRA-CADフォント」、「その他」のいずれか 「その他」を指定した場合は、インストールされているフォントの一覧から文字を選択します。 |
MS ゴシック | ||||
| 文字の大きさ(㎜) 符号 |
図面上の符号の大きさを高さ/幅で入力します。 | 高さ:5 幅 :5 | ||||
| 全角文字 | 図面上の漢字(項目内容や位置)の大きさを高さ/幅で入力します。 | 高さ:3 幅 :3 | ||||
| 半角英数字 | 図面上の英数字の大きさを高さ/幅で入力します。 | 高さ:3 幅 :3 | ||||
| 材質○印 材質 |
2種類の鉄骨材質を使用する場合、フランジまたはウェブの板厚などに○印をつけ、
材質を表現することができます。 ○印をつける材質と、○印の直径を指定します。 |
SM490 | ||||
| 直径 | 4.5 | |||||

| 項目 | 説 明 | 初期値 |
|---|---|---|
| レイヤ番号 | CADデータに変換する際のレイヤ番号、色番号、グループを指定します。 レイヤ番号を0とした項目は出力を行いません。 幅止筋線分は腹筋の項目に、X形配筋矢印は鉄筋の項目に含まれています。 |
補足6.参照 |
| 色番号 | ||
| グループ | ||
| 表示色 | 断面リストプレビューで表示する色を指定します。 R(Red)、G(Green)、B(Blue)の組み合わせにより表示色が決定します。 「表示色」の色部分をクリックすると、色の設定ダイアログを表示し、色を選択することができます。 設定方法については、[柱断面リスト作成条件] の「表示色の設定方法」を参照してください。 | |
| 表示色(R) | ||
| 表示色(G) | ||
| 表示色(B) | ||
| オートグループ | チェックボックスをオンにすると、指定グループに関係なく、各オブジェクトごとにグループ番号を順につけます。 | オン |
| CADファイルからの 線色の読み込み |
指定された色番号に対応する色情報をCADデータファイルから読み込みます。図面リストの表示に使用します。 [CADファイルからの線色の読み込み]ボタンをクリックすると開くダイアログを表示し、 読み込むCADデータファイルを選択します。 設定方法については、[柱断面リスト作成条件] の「CADファイルからの線色の読み込み」を参照してください。 |
補 足[出荷時の設定]ボタンをクリックすると、表示しているタブの各項目が初期値に戻ります。
[ユーザーデータベース]ボタンをクリックすると、登録済みのユーザーデータベースの呼び出し、
または新規・追加登録を行うことができます
(詳細については、
「2ユーザーデータベースの呼出(個別)」、
「1ユーザーデータベースの登録(個別)」を参照してください)。

[適用]ボタンをクリックすると、設定している作成条件が断面リストプレビューに反映され、確認することができます。
| 段書式1 | 段書式2 | 段書式3 | 段書式4 | |||||
|---|---|---|---|---|---|---|---|---|
| 項目名 | 行高 | 項目名 | 行高 | 項目名 | 行高 | 項目名 | 行高 | |
| 1 | 符号 | 10 | 位置 | 6 | 符号 | 10 | 位置 | 6 |
| 2 | 位置 | 6 | 断面 | 50 | 位置 | 6 | 断面 | 50 |
| 3 | 断面 | 50 | 上端筋 | 5 | 断面 | 50 | 上端筋 | 5 |
| 4 | 上端筋 | 5 | 下端筋 | 5 | 上端筋 | 5 | 下端筋 | 5 |
| 5 | 下端筋 | 5 | あばら筋 | 5 | 下端筋 | 5 | あばら筋 | 5 |
| 6 | あばら筋 | 5 | 腹筋 | 5 | あばら筋 | 5 | 鉄骨 | 5 |
| 7 | 腹筋 | 5 | 備考 | 5 | 鉄骨 | 5 | 備考 | 5 |
| 8 | 備考 | 5 | 備考 | 5 | ||||
| 記号1 | 記号2 | 形 | |
|---|---|---|---|
| D10 | 1 | 0 | |
| D13 | 1 | 4 | |
| D16 | 1 | 6 | |
| D19 | 4 | 0 | |
| D22 | 4 | 4 | |
| D25 | 4 | 6 | |
| D29 | 2 | 0 | |
| D32 | 2 | 4 | |
| D35 | 2 | 6 | |
| D38 | 5 | 0 | |
| D41 | 5 | 4 |
| 項目 | レイヤ番号 | 色番号 | グループ | 表示色 | 表示色(R) | 表示色(G) | 表示色(B) |
|---|---|---|---|---|---|---|---|
| 枠 線分 | 1 | 1 | 1 | ![]() |
0 | 0 | 255 |
| 断面 線分 | 2 | 5 | 2 | ![]() |
0 | 255 | 255 |
| 主筋 線分 | 3 | 2 | 2 | ![]() |
255 | 0 | 0 |
| あばら筋 線分 | 4 | 4 | 2 | ![]() |
0 | 255 | 0 |
| 腹筋 線分 | 5 | 2 | 2 | ![]() |
255 | 0 | 0 |
| 鉄骨 線分 | 6 | 3 | 2 | ![]() |
255 | 0 | 255 |
| 寸法線 線分 | 7 | 4 | 2 | ![]() |
0 | 255 | 0 |
| 捨てコン 線分 | 8 | 4 | 2 | ![]() |
0 | 255 | 0 |
| 敷砂利 線分 | 9 | 4 | 2 | ![]() |
0 | 255 | 0 |
| 材質 ○印 | 10 | 2 | 3 | ![]() |
255 | 0 | 0 |
| 寸法 文字 | 11 | 1 | 3 | ![]() |
0 | 0 | 255 |
| 項目 文字 | 12 | 1 | 3 | ![]() |
0 | 0 | 255 |
| 符号 文字 | 13 | 1 | 3 | ![]() |
0 | 0 | 255 |
| 断面 文字 | 14 | 1 | 3 | ![]() |
0 | 0 | 255 |
| 主筋 文字 | 15 | 1 | 3 | ![]() |
0 | 0 | 255 |
| あばら筋 文字 | 16 | 1 | 3 | ![]() |
0 | 0 | 255 |
| 腹筋 文字 | 17 | 1 | 3 | ![]() |
0 | 0 | 255 |
| 鉄骨 文字 | 18 | 1 | 3 | ![]() |
0 | 0 | 255 |
